ÚVOD
KONTAKT
BALNÉ
Sortiment Hydraulika Havránek
Materiál
├ pístní tyč s chromem
│ ├ pístní tyče s chromem pr.6 - 15f7
│ ├ pístní tyče s chr. pr.16-160f7 (20MnV6)
│ ├ pístní tyč indukční chrom (42CrMo4)
│ └ pístní tyč indukční chrom (Ck45)
├ duté pístní tyče s chromem f7
├ trubka nesvařovaná honovaná H8
├ trubka svařovaná přesná tažená H9
└ tyč na čepy (kalená ,broušená, přes. f7)
Hydraulické válce
├ UNC
│ ├ celé
│ └ díly
├ Novotný
│ ├ celé
│ └ díly
├ LOCUST
│ ├ celé
│ └ díly
├ UNK 320
│ └ díly
├ UN 053
│ └ díly
├ Náhradní díly ostatní
│ ├ výkovek přední oko
│ ├ přední víko (hlava)
│ ├ zadní oko (dno)
│ ├ píst
│ └ táhlo
└ seznam HV
Čepy a pouzdra
├ Čepy
│ ├ UNC
│ ├ UN
│ ├ Bobek
│ ├ DH
│ ├ KNB
│ ├ JCB
│ ├ UDS
│ ├ UNK
│ ├ UNO
│ └ LOCUST
├ Pouzdra
│ ├ UNC
│ ├ UN
│ └ UDS
└ Atyp
Zakázková výroba
├ Hydraulické válce
│ ├ celé válce
│ ├ tyč s okem
│ └ tyč 2x závit
└ čepy a pozdra
│ ├ čep rovný
│ ├ čep osazený
│ ├ pouzdro rovné
│ └ pozdro osazené
Čepy a pouzdra -> Čepy ->
UN
Označení
Rozměr
Popis
mj
Cena
1071 05-02-180
čep pr.60 - 118mm
1055 05-25-072
čep pr.45 - 118mm
1056 05-25-073
čep pr.60 - 160mm
1054 43-23-062
čep pr.32/25 - 76mm
1053 05-25-060
čep pr.60 - 175mm
1060 05-25-078
čep pr.80 - 620mm
1059 05-25-076
čep pr.60 - 90mm
1058 05-25-075
čep pr.65 - 118mm
1057 05-25-074
čep pr.60 - 210mm
1072 43-23-018
čep pr.40 - 88mm
1061 05-25-086
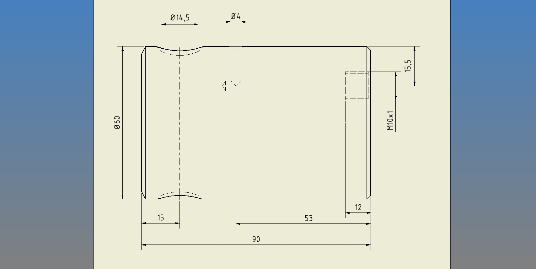
čep pr.60 - 175mm
1070 05-04-542
čep pr.40/34 - 181mm
svislý čep
1069 59-04-421
čep pr.55/50 - 476mm
1068 59-04-039
čep pr.55 - 431mm
1067 05-28-097
čep pr.60/75 - 123mm
1066 05-28-096
čep pr.60 - 80mm
1065 05-28-095
čep pr. 80 - 132mm
1064 05-28-094
čep pr. 80 - 675mm
1063 05-28-093
čep pr. 80 - 300mm
1062 05-25-090
čep pr. 80 - 325mm
Martin Galajda
Mostek 125 544 75 Mostek IČ: 03967506 DIČ: CZ7507303617
telefon: 777121588 , 732375669 email: Hydraulika.MG@seznam.cz http://www.hydraulika-havranek.cz