ÚVOD
KONTAKT
BALNÉ
Sortiment Hydraulika Havránek
Materiál
├ pístní tyč s chromem
│ ├ pístní tyče s chromem pr.6 - 15f7
│ ├ pístní tyče s chr. pr.16-160f7 (20MnV6)
│ ├ pístní tyč indukční chrom (42CrMo4)
│ └ pístní tyč indukční chrom (Ck45)
├ duté pístní tyče s chromem f7
├ trubka nesvařovaná honovaná H8
├ trubka svařovaná přesná tažená H9
└ tyč na čepy (kalená ,broušená, přes. f7)
Hydraulické válce
├ UNC
│ ├ celé
│ └ díly
├ Novotný
│ ├ celé
│ └ díly
├ LOCUST
│ ├ celé
│ └ díly
├ UNK 320
│ └ díly
├ UN 053
│ └ díly
├ Náhradní díly ostatní
│ ├ výkovek přední oko
│ ├ přední víko (hlava)
│ ├ zadní oko (dno)
│ ├ píst
│ └ táhlo
└ seznam HV
Čepy a pouzdra
├ Čepy
│ ├ UNC
│ ├ UN
│ ├ Bobek
│ ├ DH
│ ├ KNB
│ ├ JCB
│ ├ UDS
│ ├ UNK
│ ├ UNO
│ └ LOCUST
├ Pouzdra
│ ├ UNC
│ ├ UN
│ └ UDS
└ Atyp
Zakázková výroba
├ Hydraulické válce
│ ├ celé válce
│ ├ tyč s okem
│ └ tyč 2x závit
└ čepy a pozdra
│ ├ čep rovný
│ ├ čep osazený
│ ├ pouzdro rovné
│ └ pozdro osazené
Hydraulické válce -> Novotný ->
díly
Označení
Rozměr
Popis
mj
Cena
1334 přední víko (hlava)
V.N.V - 40/70
1343 přední oko
P.O.N. - 40
1342 přední oko
P.O.N. - 35
1341 přední oko
P.O.N. - 25
1340 píst
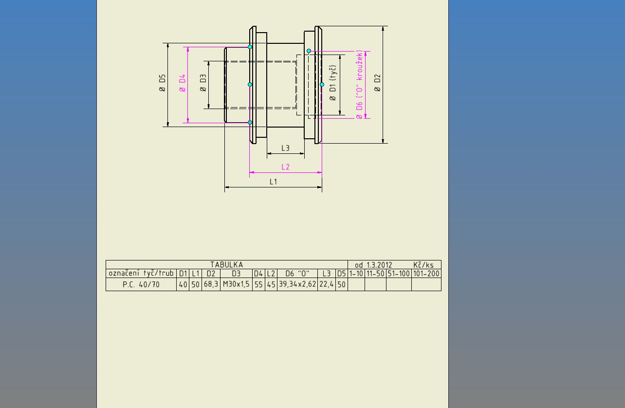
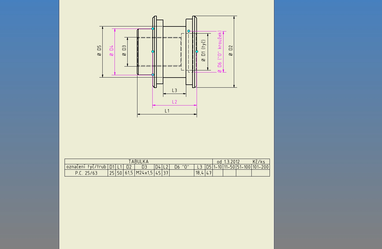
P.C. - 25/63
1339 píst
P.C. - 40/70
1338 píst
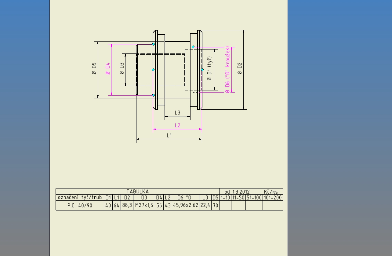
P.C. - 40/90
1337 přední víko (hlava)
V.A.V. - 40/63
1336 přední víko (hlava)
V.A.V. - 36/70
1335 přední víko (hlava)
V.A.V. - 36/63
1325 zadní oko válce (dno)
Z.O.N. - 63
celé bez závitu
1333 přední víko (hlava)
V.A.V - 40/70
1332 zadní oko
Z.O.O. - 62
jen oko
1331 zadní oko
Z.O.O. - 55
jen oko
1330 zadní dna
Z.D. - 100
jen dna
1329 zadní dna
Z.D. - 70
jen dna
1328 zadní dna
Z.D. - 63
jen dna
1327 zadní dna
Z.D. - 40
jen dna
1393 zadní oko válce (dno)
Z.O.N. - 70
celé bez závitu
1326 zadní oko válce (dno)
Z.O.N.Z. - 63
celé se závitem
Martin Galajda
Mostek 125 544 75 Mostek IČ: 03967506 DIČ: CZ7507303617
telefon: 777121588 , 732375669 email: Hydraulika.MG@seznam.cz http://www.hydraulika-havranek.cz